ООО «Априори Системс»
E-Mail адрес: sale@aprioris.ru
Телефон: 8-800-700-57-15 (бесплатный звонок по России)
Сайт aprioris.ru
АЦД 1У – универсальный электронный динамометр на растяжение и сжатие
Технические вопросы: 8 800 777 20 78 доб. 314
Отправить заявку: sale@aprioris.ru
(с НДС)
АЦД 1У – универсальный электронный динамометр на растяжение и сжатие
Электронные динамометры серии АЦД/1У предназначены для измерения статической силы растяжения или сжатия.
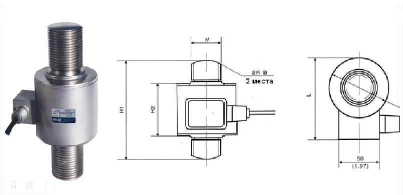
Общее обозначение: АЦД/1М-Х/ТИ-К
М – вид измеряемой силы (Р – растяжение, С – сжатие, У – универсальный);
Х – наибольший предел измерений (НПИ), кН;
Т – вариант исполнения упругого элемента (1; 6);
К – класс точности (00; 0,5; 1; 2)
Исполнение 1, Вариант 1, S-образный тензодатчик

|
АЦД / АЦД/1 |
А, |
В, |
С, |
D, |
|
мм. |
мм. |
мм. |
мм. |
|
|
Р-0,5/1И-1(2) |
76 |
52 |
20 |
М12 |
|
Р-1/1И-1(2) |
76 |
52 |
20 |
М12 |
|
Р-2/1И-1(2) |
76 |
52 |
20 |
М12 |
|
Р-5/1И-1(2) |
76 |
52 |
28 |
М12 |
|
Р-10/1И-1(2) |
76 |
52 |
28 |
М12 |
|
Р-20/1И-1(2) |
104 |
76 |
26 |
М20 |
|
Р-50/1И-1 (2) |
104 |
76 |
26 |
М20 |
|
Р-50/1И-1(2) |
102 |
76 |
32 |
М20 |
|
Р-100/1И-1(2) |
178 |
125 |
51 |
М30х2 |
|
Р-200/1И-1(2) |
190 |
160 |
60 |
М39х2 |
Исполнение 6

|
АЦД / АЦД/1 |
Н1, мм. |
Н2, мм. |
М, мм. |
|
У-100/6И-1(2) |
180 |
65 |
М36х3 |
|
У-200/6И-1(2) |
180 |
65 |
М36х3 |
|
У-300/6И-1(2) |
200 |
70 |
М42х3 |
|
У-500/6И-1(2) |
250 |
97 |
М56х4 |
|
У-1000/6И-1(2) |
350 |
126,1 |
М76х4 |
|
Применение
|
|
|
Диапазон рабочих температур
|
|
|
Габариты(ВхШхГ), мм
|
|
|
Масса
|
|
|
Госреестр
|
|
|
Гарантия
|
|
|
Наличие
|
|
|
Цвет
|
|
|
Особенности
|
Электронные динамометры серии АЦД/1У предназначены для измерения статической силы растяжения или сжатия. Динамометры используются как образцовые приборы 2-го разряда согласно ГОСТ Р 8.663-2014, применяемые при периодической поверке силоизмерительных устройств испытательных машин и стендов, и как рабочие динамометры работающие на растяжение или сжатие. Динамометры имеют шкалу именованную в кН (Н), что позволяет моментально определять значение измеряемого усилия. Динамометры позволяют фиксировать максимальное (пиковое) значение прилагаемых нарастающих или убывающих усилий. Высокое быстродействие позволяет применять динамометры для измерения плавно меняющихся усилий. Электронные динамометры представляют собой тензометрический датчик, соединенный кабелем связи с электронным измерительным индикатором.
В зависимости от условий применения динамометров, концевые захватные части и силовводящие элементы могут выполняться в самых различных модификациях, не влияя на точность показаний.
Динамометры имеют обозначение АЦД/1М-Х/ТИ-К где:
- М – вид измеряемой силы (Р – растяжение, С – сжатие, У – универсальный);
- Х – наибольший предел измерений (НПИ), кН;
- Т – вариант исполнения упругого элемента (1; 6);
- К – класс точности (00; 0,5; 1; 2)
Метрологические характеристики динамометров АЦД 1У:
- 2 класса
- 1 класса
Все цены на сайте указаны без учета доставки при условии 100% предоплаты.
Для юридических лиц или ИП:
Оплата производится путем безналичного расчета (полной оплаты, частичной предоплаты или по факту поставки на расчетный счет организации) на основании договора поставки, счета на оплату или счет-договора. Во всех документах присутствует подпись и печать, а так же условия оплаты и доставки товара. Копия отправляется по электронной почте или согласованию физического адреса получателя, а оригиналы передаются по факту поставки оборудования.
Существует несколько вариантов оплаты:
Для государственных и бюджетных организаций и предприятий:
Для сотрудничества с бюджетными и государственными организациями по 44-ФЗ и 223-ФЗ предусмотрены следующие варианты оплаты по договору:
- Аванс 30%, остаток 70% по факту поставки;
- Аванс 50%, остаток 50% по факту поставки;
- 100% постоплата по факту поставки.
В связи с изменением курса валют цены на товары и возможность поставки может изменяться. В виду нынешней ситуации уточняйте актуальную стоимость оборудования у Ваших менеджеров.
Наш Компания предлагает несколько вариантов доставки:
- Курьерской службой;
- Транспортной компанией;
- самовывоз из офисов г.Санкт-Петербург и г. Казань - бесплатно
- доставка до терминала или пункта выдачи
Самовывоз
Вы можете забрать товар в одном из наших офисов. Когда заказ поступит на склад и будет скомплектован, Вам придёт уведомление.
Самовывоз происходит по адресу из наших офисов:
г. Санкт-Петербург, БЦ «Александро-Невская Мануфактура», пр. Обуховской обороны, д.70, к.2, офис 601 ( 6 этаж)
г. Казань, ул. Гвардейская, д.15, офис 919 (9 этаж)
Для самовывоза из нашего офиса вам нужно иметь печать организации или доверенность на забор товара.
Курьерская доставка
Вы можете заказать доставку товара с помощью курьера, который прибудет по указанному адресу в счете в будние дни с 9.00 до 18.00. Курьерская служба, после поступления товара на склад, свяжется с вами для уточнения адреса и сообщит время доставки.
Мы отправляем Ваши заказы транспортными компаниями или курьерскими службами:
Деловые Линии;
Курьер Сервис Экспресс;
Major Express;
СДЭК;
EMS.
Для забора товара Вашей курьерской службой, необходимо прислать доверенность на вашу курьерскую службу и накладную.
Ориентировочный срок доставки
В зависимости от вашего региона, выбора курьерской службы - доставка может занимать разное время.
|
Отправка в город |
Срок доставки |
|
Москва |
2 рабочих дня |
|
Санкт-Петербург |
На следующий день |
|
Казань |
3-4 рабочих дней |
|
Ростов-на-Дону |
3-4 рабочих дней |
|
Саратов |
3-4 рабочих дней |
|
Екатеринбург |
3-4 рабочих дней |
|
Новосибирск |
3-5 рабочих дней |
|
Иркутск |
4-6 рабочих дней |
|
Хабаровск |
4-6 рабочих дней |
|
Петропавловск-Камчатский |
6-10 рабочих дней |
Стоимость доставки зависит от удаленности населенного пункта и рассчитывается по тарифам транспортной компании.
Бесплатная доставка доступна при заказе от 100 000 рублей.
Так же на нашем сайте возможно отслеживать доставку Вашего товара по номеру накладной транспортной компании
Действует ли в вашем городе курьерская служба и о возможности доставки в другие регионы России и страны СНГ уточняйте у Вашего менеджера.
Обращаем Ваше внимание!
Представители транспортных служб не принимают оплаты наличными при получении товара.
Обращаем Ваше внимание , что транспортные компании и курьерские службы несет ответственность за сохранность груза. При обнаружении каких-либо недостатков или повреждений упаковки, самого товара или количества мест необходимо в пункте выдачи транспортной компании или при получении по адресу доставки, до подписания документов о получении груза, составить акт о повреждении груза , а так же , сразу осуществить фото или видео фиксацию обнаруженных деффектов и недостатков товара.
В случае подписания документов о получении груза до его осмотра или проверки, при обнаружении претензии приниматься по согласованию сторон.
